Rotary Drill Rig Swing Gearbox

Product Description:

Hydrostatic swing gearboxes are widely used in excavators, rotary drill rigs, marine cranes and other rotary devices. We design and manufacture hydrostatic swing gearboxes for demanding engineering conditions. Meanwhile, customers have upmost freedom to choose hydraulic motors and connecting forms. We have complied selections of various series swing gearbox, applied to different applications. Please visit the Download page to find the best fit for your projects. 


  • Payment Terms: L/C,D/A,D/P,T/T
  • In order to achieve desired speed and torque precisely and stably, we offer multi-stage speed reduction solutions. We have supplied large quantity of rotary drill rig swing gearbox/ reduction gearbox worldwide.  Their quality and reliability have been proven by markets. 

    Mechanical Configuration:

    swing gearbox

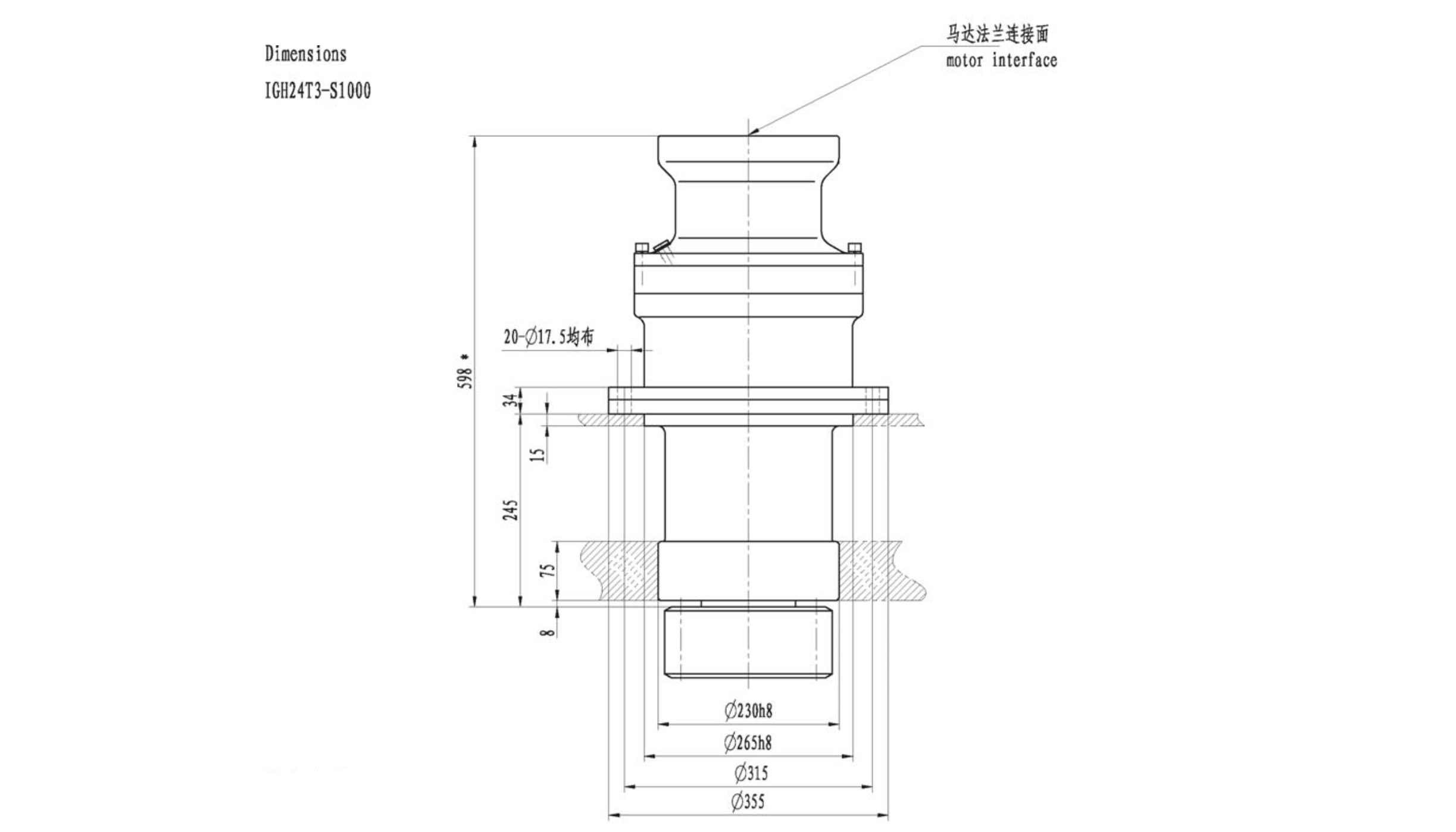
    IGH24T3-S1000 Series Hydrostatic Swing Gearbox’s Main Parameters:

    Output Torque

    (Tmax Nm)

    Ratio (i)

    Hydraulic Motor

    Weight(kg)

    17500

    91.1 • 103.6 • 121.5 •138.2 A2FM28 A2FE32 H1CR30 HMF28

    150

    A2FM45 A2FE45 H1CR45 HMF35
    A2FM55 A2FE56 H1CR55  

  • Rotary Drill Rig Swing Gearbox Related Video: